CIRCUITE DE CONDITIONARE
FILTRE ANALOGICE
Sunt circuite electronice reprezentate fizic de circuite liniare (cuadripoli) ce contin elemente reactive (LC) exploatand proprietatea acestora de a se comporta selectiv fata de semnalele de intrare la frecvente dife rite. Altfel spus functia de transfer a acestor circuite este dependenta de frecventa semnalului de intrare.
3.1.1.Filtre RC
Includerea in constructia circuitului a reactantei capacitive face posibila evidentierea proprietatilor selective [2]. Exista doua variante general utilizate: filtru RC trece jos (fig.3.1a) si filtrul trece sus (fig.3.1b).

fig.3.1
Functiile de transfer al filtrelor RC sunt:
 pentru filtrul FTJ
 pentru filtrul FTJ
 pentru filtrul FTS
 pentru filtrul FTS
In general un sistem electric ideal nu produce distorsiunea formei de variatie in timp ci cel mult o intarziere data . Deci U2(t)=AU1(t-t Aplicand transfomata Fourier acestei relatii se trece din domeniul timp in domeniul reprezentarii in frecventa:

Comportarea in frecventa este complet descrisa de functia sa de transfer:

Daca sistemul este considerat ideal atunci:

Daca functia de transfer este cunoscuta atunci analiza in frecventa se face analizand separat aplitudinea (modulul) si faza:

Revenind la structura de filtru RC putem spune ca ele prezinta dezavantajul selectivitatii scazute a armonicilor semnalului de intrare fiind recomandabila in acest caz utilizarea filtrelor LC.
Observatii: rolul practic al acestor filtre este acela de reducere al perturbatilor ce se suprapun peste semnalul util (armonici) sau la eliminarea efectelor de "aliere" care pot aparea in procesul de esantionare. Ca regula practica frecventa de esantionare se ia de cel putin 5 ori mai mare decat freventa de taiere a filtrului (f0).
 pentru FTJ
 pentru FTJ
Se defineste a raportul de atenuare:

iar pentru frecvente de cel putin trei ori mai mari decat f0 se poate folosi relatia aproximativa:

In figura 3.2. este prezentata o varianta a filtrului LC FTJ pentru atenuarea perturbatilor retelei.
 
 
fig.3.2
3.1.2. Filtre active cu amplificatoare operationale.
Filtru activ trece jos cu A.O. integrator:

fig. 3.3
 cu: pentru frecvente foarte mari (w>>w )
amplificarea este zero iar pentru frecvente joase (w<<w )
 pentru frecvente foarte mari (w>>w )
amplificarea este zero iar pentru frecvente joase (w<<w )  .
.
Filtru activ trece sus cu A.O

fig.3.4
cu: pentru frecvente foarte mici (w<<w  amplificarea este zero iar pentru
frecvente mari (w>>w )
 pentru frecvente foarte mici (w<<w  amplificarea este zero iar pentru
frecvente mari (w>>w )  .
.
Filtru activ trece banda cu AO:
 fig.3.5.
fig.3.5.
 
 


Filtre active in tehnologie integrata

fig.3.6
Filtrele active LMF40 si LMF60 sunt filtre cu frecventa centrala proportionala cu frecventa semnalului de ceas.
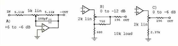
EXEMPLE DE FILTRE ANALOGICE:
FILTRU BUFFER
 
 
FILTRU TRECE JOS

FILTRU TRECE SUS

FILTRU CU AMPLIFICARE VARIABILA

fig. 3.7.