Redresoarele trifazate pot avea doua structuri.
a)Redresorul de curent la care curentii de intrare sunt impusi de sursa alternative(retea), iar receptorul este de tensiune.

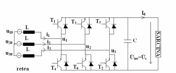
Fig. 4.6 Redresor trifazat MLI (PWM) de curent

Fig. 4.7 Diagrama fazoriala a marimilor la intrarea redresorului trifazat de curent( fara corectie a factorului de putere)
Pentru fiecare faza a su
Ū10 = Ū11+jωLĪ11
Comanda trebuie facuta astfel incat fundamentala curentului sa fie in faza cu tensiunea.
Redresorul trifazat de current comandat PWM functioneaza ca ridicator de tensiune.In cazul modulatiei PWM sinusoidale valoarea medie a tensiunii la iesire este:

Fig. 4.8 Diagrama fazoriala a marimilor la intrare ( cu corectia factorului de putere)
Ūies = 
cu r = valoarea maxima a undei de referinta/valoarea maxima a purtatoarei ≤1, coeficientul de reglaj al comenzii PWM.
b)Redresorul de tensiune la care tensiunile la intrare sunt impuse de ansamblul retea-capacitati in parallel, cere capata caracterul de sursa de tensiune, iar receptorul este de current continuu.Redresorul de tensiune corespunde ,din punct de vedere al asemanarii schemei de forta cu invertorul de current.

Fig. 4.9 Redresor trifazat MLI de tensiune.
Observam ca pentru fiecare faza putem scrie urmatoarele ecuatii:
U10 = U11+jωLI11;
I11 = Ir11+Ic11
Tensiunea U11 este valoarea efectiva a fundamentalei tensiunii u1, iar ic11 este fundamentala curentului.

Fig. 4.10 Diagrama fazoriala a marimilor la intrarea redresorului trifazat de tensiune( fara corectie a factorului de putere).
Putem considera in locul condensatoarelor C, cuplate in triunghi la intrarea redresorului ,trei condensatoare echivalente Ce cuplate in stea si avand : Ce=3C ,astfel incat: Ic11 = jωCeU11
Curentul ir11( fundamentala lui ir1) este defazat cu un unghi fata de U10, iar i11( fundamentala curentului i1) cu un unghi φ.
Structura este ridicatoare de current Īies>I1,I1 fiind valoarea maxima a curentului absorbit de la retea.
Calculul curentului I1 se poate face din sistemul de ecuatii (4.17), (4.18), (4.19).
In cadrul comenzii PWM sinusoidale , cu un indice de modulare m sufficient de mare( atunci I11 = (r/√2)∙Iies, r- coeficientul de reglaj), valoarea tensiunii la iesire este:
Ūies = ![]()

Fig. 4.11 Diagrama fazoriala a marimilor la intrare (cu corectia factorului de putere).
Pentru ca sa se lucreze cu factor de putere pe fundamentala unitara este necesar ca:
Īies
>
ωCeUs
Ca si la redresoarele monofazate marimea de stare de pe partea de c.c., dupa care se face reglajul curentului la intrare este tensiunea Ūc =Ūies la bornele condensatorului C pentru redresorul de current si curentul ĪL=Īies prin inductanta L, pentru redresorul de tensiune.
Tensiunea trifazata a retelei u10,u20,u30, furnizeaza imaginea sinusoidala a curentului la intrare, ea fiind multiplicata in cadrul multiplicatoarelor cu eroarea amplificata pentru a se obtine valorile de referinta i1ref,i2ref si i3ref ale curentilor i1,i2 si i3.
Valorile curentilor i1,i2,i3 masurate si de referinta sunt aplicate unui comparator modulator MLI(PWM), care elaboreaza semnalele logice de comanda pentru trazistoarele redresorului.
![]()
![]()
![]()
![]()
![]()
![]()
![]()
![]()
![]()
![]()
![]()
![]()
![]()

Fig. 4.12 Schema bloc a comenzii unui redresor trifazat PWM.

Fig. 4.13 Filtre active monofazate :- filtru serie; - filtru paralel.