Senzori de temperatura
1. Senzori de temperatura bazati pe principiul dilatarii corpurilor
Prin utilizarea unor metale care au coeficienti de dilatare mari se realizeaza senzori de temperatura cu tija si bimetalici, iar pe baza dilatarii lichidelor senzori de temperatura cu rezervor.
Acesti senzori se bazeaza pe proprietatile de dilatare liniara a corpurilor. Astfel, daca se considera cu tija metalica de lungime l0 la temperatura θ0, acesta va avea lungimea l la temperatura θ, in conformitate cu relatia:
l =l0 [1+ med
unde δmed este coeficientul de dilatare liniara medie, pe intervalul de temperatura considerat θ - θ0 al tijei.
In mod obisnuit senzorii de temperatura cu tija asigura o precizie de 1.5%, pe un domeniu maxim de temperatura 0.1000 C, tija avand lungimea de 40.600 mm. Se utilizeaza ca termocontacte pentru supravegherea si semnalizarea depasirii limitelor in rezervoare de prelucrare sau in depozite, iar asociate cu amplificatoare tip ajustaj-paleta constituie traductoare de temperatura cu semnal de iesire pneumatic.
Au avantajul ca urmaresc temperatura medie, fiind ieftine, robuste, cu putere mare de actionare si dezavantajul ca sunt putin precise avand dimensiuni mari, cu timp mare de stabilizare.
2. Senzori bimetalici de temperatura
Sezori de acest tip au la baza acelasi fenomen de dilatare a corpurilor solide, diferentiindu-se de cele cu tija prin modul de realizare constructiva.
Deplasarea d a capatului liber, cauzata de variatia temperaturii este data de relatia
d = K12* Δθ*l2/x
unde l este lungimea bimetalului, x- grosimea acestuia, K12 -o constanta care depinde de diferenta coeficientilor si de raportul modulelor de elasticitate ale celor doua metale.
In general senzorii de temperatura bimetalici se utilizeaza la supravegheri si reglari bipozitionale pentru procese termice simple, cu domeniul de masurare maxim cuprins intre -100 C si +600 C, asigurand o precizie de 1.3%. Au avantajul ca sunt foarte ieftine, robuste, cu forta mare de actionare, dar dezavantajul ca sunt mai putin precise, de dimensiuni mari, cu timp mare de raspuns.
3 Senzori de temperatura cu rezervor
Functionarea acestor senzori pe dilatarea volumetrica a lichidelor aflate in incinte prevazute cu unul sau mai multe contacte, care au rolul de a sesiza atingerea unor valori de temperatura prestabilite; avand forme si constructii similare termometrelor cu lichid se mai numesc termometre regulatoare(avand contacte electrice).
Principiul de functionare al termometrelor regulatoare se bazeaza pe variatia volumetrica cu temperatura a lichidului termometric in conformitate cu relatia:
V =V αmed
unde V , V -volumele lichidului la temperaturile θ si θ0 iar αmed este coeficientul mediu de dilatare volumica a lichidului in intervalul de temperatura θ - θ0 la care s-a aplicat corectia de dilatare volumica a rezervorului si capilarului unde se pastreaza lichidul si are loc expansiunea acestuia.
Datorita preciziei ridicate si domeniile mari de utilizare termometrele care au contacte fixe sau mobile sunt folosite in instalatiile de termostatare, camerele climatice, vagoane de cale ferata, incubatoare etc; pentru protectia contactului electric al termometrului se utilizeaza fie relee intermediare de curenti mici care comanda circuitele de forta, fie circuitele electronice cu elementele de prag adecvate .
Senzori de temperatura cu dispozitive semiconductoare
Principiul de functionare. Functionarea senzorilor de temperatura realizati cu dispozitive semiconductoare se bazeaza pe dependenta de temperatura a tensiunii directe - in cazul unei diode semiconductoare - respectiv a tensiunii baza - emitor - in cazul unui tranzistor - atunci cand acestea sunt strabatute de un curent constant. Avand la baza proprietatile dispozitivelor semiconductoare s-au realizat circuite integrate, sub forma de dioda Zener sau sursa de curent, la care semnalul de iesire este proportional cu temperatura absoluta.
Dioda semiconductoare poate fi folosita ca element sensibil (senzor) de temperatura
avand in vedere ca dependenta dintre curentul prin jonctiune IA si tensiunea de polarizare directa UA se exprima conform [23], prin relatia practica:
in care : q - sarcina electronului, Io - curentul de saturatie, k - constanta lui Boltzmann, T - temperatura absoluta, iar m este un coeficient care ia valori intre 1 si 2 (in cazul diodelor cu siliciu, pentru tensiuni UA mici predomina curentul de recombinare si m=2, iar la tensiuni UA mari dominant este curentul de difuzie, deci m=l). Se observa ca relatia (10.6), dupa o prelucrare simpla, poate fi scrisa in forma:
care arata faptul ca, prin alimentarea diodei aflate in polarizare directa cu un curenti constant (IA= const), intre tensiunea UA si temperatura T, considerata temperatura : jonctiunii (Tj), rezulta o dependenta liniara, aspect evidentiat pentru o dioda cu siliciu, in figura 10.6.
Fig. 10.6. Dependenta de temperatura a tensiunii directe la o dioda strabatuta de curent
Constant
In mod obisnuit, o dioda semiconductoare cu siliciu are sensibilitatea de 22,5mV/°C, cu o buna stabilitate in timp, fapt pentru care este utilizata ca senzor temperatura in domeniul 20+100 /120°C. Intrucat sensibilitatea diodei cu temperatura este redusa, sunt necesare masuri suplimentare in prelucrarea tensiunii UA si amplificarea acesteia.
Tranzistorul bipolar se poate utiliza ca senzor de temperatura avand in vedere dependenta
curentului de colector Ic in functie de tensiunea baza-emitor UBE- Astfel, daca UCE este suficient de mare si UBE > > kT/q, in conexiunea emitor comun curentul IC, este conform [23], de forma:
unde F- factorul de amplificare in curent direct, IES - curentul de saturatie al jonctiunii emitor-baza, masurat cand colectorul este scurtcircuitat la baza
Observatie:
O exprimare detaliata a
curentului de colector prin concentratia intrinseca de purtatori
ni arata o dependenta FIES
KT n2i deoarece ni
se modifica cu temperatura dupa legea T3/2 rezulta
ca variatia cu temperatura a curentului Ic va fi de forma:
![]()
cu observatia ca aportul factorului exponential este decisiv fata de cel rezidual FIES (de exemplu la tranzistoarele cu siliciu lucrand la temperaturi sub 100 C efectul variatiei factorului rezidual cu temperatura este neglijabil.
Relatia precedenta este valabila si pentru junctiunea baza-emitor a unui tranzistor bipolar din figura de mai sus si, neglijind contributia curentului de baza la curentul de colector, se poate scrie :
![]()
Exprimand tensiunea dintre baza si emitor din relatia precedenta:
![]()
vom observa ca aceasta este direct proportionala cu temperatura mediului in care se afla jonctiunea. Pe aceasta dependenta se bazeaza folosirea unor structuri integrate cu tranzistori pentru masurarea temperaturii. La 300K marimea raportului kT/e este de 26 mV.
Considerand o structura formata din n tranzitori identici conectati in paralel din figura de mai jos curentii de colector ai tranzistorilor vor fi si ei identici, astfel incat curentul total de colector al structurii va fi :
![]()
Printr-o prelucrare similara celei aplicate relatiei ( ), relatia ( ) poate fi scrisa in forma:
rezultand o dependenta liniara intre UBE si T, in ipoteza ca IC= constant si neglijand efectul factorului rezidual FIE.
Ca senzor de sine statator, tranzistorul lucreaza in montaj avand colectorul scurtcircuitat la baza conform relatiei ( ), alimentat de la un generator de curent constant (IC =constant), fiind posibil de
utilizat (cel cu siliciu) pe un domeniu de temperaturi intre -55°C si +150°C, cu o sensibilitate tipica de -2,21 m7°C si o eroare de neliniaritate de 1 %. Desi prezinta o buna stabilitate in timp, tranzistorul din productia curenta nu are un nivel ridicat de interschimbabilitate.
Daca o astfel de structura se asociaza cu inca un tranzistor (T11) identic cu primii si cu o oglinda de curent (T12 si T13), se realizeaza un senzor de temperatura ca cel din figura de mai sus.
Oglinda de curent asigura egalitatea curentilor de colector pentru tranzistorul T11 si pentru structura T1, T2, , Tn. Tensiunea dintre baza si emitorul a tranzistorului T11 este data de relatia ( ) iar tensiunea UBEn va fi cea data de relatia ( ). Intre tensiunile marcate in figura exista relatia :
UBE=UBEn+Uies
astfel incat tensiunea de iesire va fii:
![]()
Pe acelasi principiu fizic se bazeaza folosirea amplificatorului operational Norton ca senzor de
temperatura. Conexiunea folosita atunci cand este folosit in acest scop este prezentata in figura de mai jos a.
Jonctiunea baza-emitor a tranzistorului T1 din structura interna a amplificatorului (b) este prezentata doar partea de intrare a acestuia , este polarizata direct de catre tensiunea de iesire care apara ca urmare a alimentarii amplificatorului cu tensiunea V+.
Expresia tensiunii de iesire poate fi calculata pe baza schemei echivalente din (c), din care pot fii scrise ecuatiile:
i-<<i1i2 i1
i2![]()
V=i2R2+i1R1
V=ud
Considerand constante valorile rezistentelor din circuit, din excutia de mai sus se observa ca tensiunea de iesire depinde exclusiv de tensiunea jonctiunii baza-emitor a tranzistorului T1. Este cunoscut faptul ca pentru o jonctiunii de Si, tensiunea in polaritate directa este dependenta de temperatura. Ea variaza cu aproximativ -2mV/ C, astfel incat pe baza ecuatiei de mai sus poate fi scrisa ecuatia de variatie a tensiunii de iesire:

![]()
Observatie : S-a observat ca de la exemplar la exemplar, in cadrul aceluiasi tip de tranzistor UBE scade cu temperatura, cu o rata de 22,5 mV/°C, ceea ce corespunde unei dispersii de ±10°C, inacceptabila in realizarea unui traductor de temperatura. Pe plan mondial sunt disponibile, la preturi foarte scazute tranzistoare selectionate, destinate special utilizarii ca senzor de temperatura (de exemplu firma MOTOROLA comercializeaza astfel de tranzistoare cu o dispersie de ± 2°C.
Pentru a reduce efectul neliniaritatilor introduse de factorul rezidual se lucreaza dupa aceeasi relatie ( ), la care insa curentul de colector IC este modificat astfel incat IC /(( FIES) = constant pe intreg domeniul temperaturilor de lucru. Pe acest principiu s-au realizat termometre de inalta precizie.
Senzori si traductoare de temperatura bazate pe efecte termoelectrice si termorezistive
Aceasta categorie traductoare de temperatura prezinta cea mai mare diversitate constructiva si utilizare industriala, deoarece acopera un domeniu larg de temperatura, cu o buna precizie de masurare. De asemenea, aceste traductoare, au o constructie relativ simpla si pretabila unei productii de serie mare, nu prezinta piese in miscare, sunt capabile sa lucreze in medii ambiante agresive cu variatii mari ale factorilor de mediu (presiune, umiditate, temperatura, vibratii, socuri etc.).
Senzorii cu frecventa de utilizare cea mai mare in constructia traductoarelor bazate pe efecte termoelectrice sunt termocuplurile, termorezistentele, termistoarele, peliculele rezistive si semiconductoarele. Acestea se prezinta in diverse tipodimensiuni si forme constructive, recomandabile unei anumite aplicatii sau pentru un domeniu de temperatura mai larg, dand astfel posibilitatea utilizatorului sa implementeze solutia cu eficienta maxima.
Senzorul termoelectric (termocuplu)
Un traductor de temperatura cu termocuplu (figura 10.10), este alcatuit, in principiu, din senzorul de tip termocuplu, care face conversia din temperatura in tensiune termoelectromotoare, cablurile de prelungire, prin intermediul carora jonctiunea de referinta este adusa de la locul masurarii intr-o zona unde este posibila mentinerea constanta a temperaturii, si adaptorul prin intermediul caruia se obtine semnalul unificat de iesire Ie.
Un termocuplu (figura reprezinta ansamblul a doua conductoare omogene (A si B), de natura diferita (denumite termoelectrozi) sudate la unul din capete - sudura este denumita jonctiune de masurare sau sudura calda - fiind in contact cu mediul a carui temperatura se masoara. La capetele libere, care constituie jonctiunea de referinta (sudura rece), aflate la temperatura , se obtine o tensiune termoelectromotoare ETC (t.te.m.)- efect Seebeck - a carei valoare este data de relatia aproximativa:
ETC=KTC(
in care KTC [mV/°C] este sensibilitatea termocuplului, dependenta de natura celor doi termoelectrozi.
Efectul Seebeck consta in aparitia unei tensiuni electromotoare nete intr-un circuit cu doua jonctiuni intre metale diferite, aflate la temperaturi diferite.
Explicativa pentru functionarea senzorului termocuplu
Dependenta tensiunii termoelectrice de temperatura este polinomiala
insa pe intervale restranse se poate considera liniara dupa cum arata si relatia :
Uq = A (q q
Tensiunile generate sunt mici (de ordinul milivoltilor) si pentru ca ele sa fie cat mai mari trebuie ca parametrul A sa fie cat mai mare. Astfel in constructia unui termocuplu se tine cont la alegerea metalelor de seria tensiunilor termoelectrice ordonate dupa platina - tabelul de mai jos (s-au masurat tensiunile termoelectrice care apar intre diverse metale si Pt pentru q - q =100 °C).
|
Metalul |
Uq , mV pentru q - q = 100 °C |
|
Constantan |
|
|
Nichel |
|
|
Pt |
|
|
Cu |
|
|
Fe |
|
|
Ni-Cr |
|
In tabelul de mai jos se prezinta cateva termocupluri si intervalul de utilizare.
|
Termocuplu |
Utilizare C |
|
Cu-Constantan |
|
|
Fe-Constantan |
|
|
Pt-Pt/Rh |
|
10.10. Schema de principiu a unui Fig. 10.11. Termocuplu
traductor de temperatura cu termocuplu. (reprezentare principala
Pentru aceleasi doua metale diferite si o aceeasi diferenta de temperatura dintre jonctiuni,
tensiunea electromotoare neta (suma algebrica a celor doua t.e.m.) este aceeasi. Ea poate fi masurata si calibrata in unitati de masura a temperaturii.
Sonda propriu-zisa este reprezentata de una din jonctiuni (jonctiunea de masura sau calda) care poate fi pusa intr-o manta protectoare. Ea este plasata in mediul a carui temperatura vrem sa o masuram.
Marimea si sensul curentului care va parcurge circuitul atunci cand jonctiunile se afla la temperaturi diferite depinde de diferenta de temperatura si de tipul metalelor folosite. De regula, t.e.m. rezultanta este mica (de ordinul mV). Un voltmetru conectat in circuit reprezinta "iesirea" pentru utilizator si este calibrat in unitati de temperatura.
Pentru o buna acuratete a rezultatelor, cea de a doua jonctiune (jonctiunea de referinta sau jonctiunea rece) trebuie mentinuta la o temperatura constanta, eliminand astfel erorile datorate driftului termic. Jonctiunea de referinta este denumita si jonctiune rece, chiar daca temperatura ei (de regula 0 C) poate fi mai mare decat temperatura jonctiunii de masura.
T.e.m. rezultanta nu este influentata de dimensiunile conductorilor, de ariile suprafetelor jonctiunilor sau de modul in care sunt sudate metalele.
Metalele tipice folosite pentru constructia termocuplurilor sunt rodiul, aliajele de nichel si crom, aliajele de aluminiu si nichel sau aliajele de nichel si cupru. Metalele care se imperecheaza cu acesta sunt platina, cuprul si fierul. Incinta de protectie in care este introdusa jonctiunea de masura trebuie sa fie rezistenta din punct de vedere mecanic si la mediile corozive
In
general, ele sunt ieftine si versatile. Utiliand termocupluri se pot masura temperaturi de la -265 C pana la 2300 C, cu o precizie care depinde de felul de
metalelor folosite pentru constructia lor. Dintre senzorii cu care
temperatura se masoara direct, termocuplurile acopera cel mai
larg domeniu de temperaturi. Ele raspund destul de rapid la
variatiile de temperatura dar au o acuratete mai mica decat
termometrele cu rezistenta metalica.![]()
Cea mai la indemana metoda de mentinere la o temperatura constanta a jonctiunii de referinta era plasarea ei intr-o baie de apa cu gheata la 0 C. Azi este insa mult mai practic sa se foloseasca metode electronice de realizare a tensiunii de referinta corespunzatoare temperaturii de 0 C, chiar daca jonctiunea rece la o alta temperatura.
Jonctiunea de referinta, aflata la o temperatura oarecare este plasata intr-un bloc izoterm a carui temperatura, t, este masurata de un alt senzor de temperatura. Semnalul electric (curent sau tensiune) furnizat de senzor este aplicat unui circuit electronic care furnizeaza la iesirea sa o tensiune Ucomp care compenseza diferenta dintre tensiunea jonctiunii la temperatura t si tensiunea ei la 0°C. Circuitul electronic de compensare poate fi realizat de exemplu cu un amplificator operational conectat ca apmplificator diferential.
Analizand schema din figura de mai sus se poate observa ca :
Uies-Ucomp =V(t1)- V(t2)
Tensiunea de la iesirea comparatorului este functie de temperatura blocului izoterm. Calibrarea
dispozitivului de masurare se face in felul urmator: se plaseaza jonctiunea de masura la 0 C si se ajusteaza amplificarea circuitului de compensare astfel incat tensiunea de iesire sa fie de 0V. In aceste conditii :
-Ucomp =V(0 C)-V(t2
Substituind tensiunea de la iesirea comparatorului in expresia tensiunii de iesire, se obtine pentru tensiunea de iesire la o temperatura oarecare t, expresia
Uies=V(t1)-V(0 C)
Observatii
In circuitele termoelectrice (formate din termoelectrozii A si B) apar doua tensiuni electromotoare:
t.e.m. de contact (efect Volta);
t.e.m. datorita efectului Peltier - Thomson.
Aparitia celor doua t.e.m. se poate explica cu ajutorul teoriei electronilor liberi din metale. Pentru intervale restranse de temperatura, expresia t.t.e.m. este:
![]()
unde: K - constanta lui Boltzmann; e - sarcina electronului; NA si NB - numarul de electroni liberi pe unitatea de volum a termoelectrodului A, respectiv B.
Relatia ( ) reprezinta expresia simplificata a
t.t.e.m. data prin ( ), atunci cand temperatura
sudurii reci 0 este
Termoelectrozii sunt confectionati din materiale omogene (metale, aliaje metalice,
nemetale) - fara impuritati, tensiuni mecanice, deformari - care trebuie sa dezvolte o t.t.e.m, in functie de temperatura, cat mai mare, sa aiba o conductibilitate termica ridicata, un coeficient de variatie cu temperatura a rezistentei electrice mic, sa fie rezistente la coroziune, socuri termice si mecanice, sa nu-si schimbe in timp caracteristicile. Cele mai utilizate materiale pentru constructia termoelectrozilor, precum si cele mai importante proprietati ale acestora sunt date in tabelul 10.1.
In figura 10.12 este reprezentata dependenta t.t.e.m. in functie de temperatura pentru diverse tipuri de termocupluri, iar in tabelul 10.2 sunt enumerate termocuplurile utilizate in tara, normalizate prin standarde si instructiuni romanesti.
Tabelul 10.1
|
Compozitie |
Rezistivitate la 0 C [Ωmm2/m] |
Coeficient mediu de variatie a rezistentei cu temperatura K-1 |
Conductibilitate termica [ W/mK] |
Punct de topire [ °C] |
|
Cupru electrolitic |
|
(intre 20600 C) |
389 la 20 C 356 la 500 C |
|
|
45% Ni 55% Cu |
|
(intre 20600 C) |
41.9 intre C |
|
|
Fier tehnic pur (sub 0.1% S, Si, Mn C) |
|
10-3 (intre 20600 C) |
75.4 la 20 C 33.5 la 800 C |
|
|
85% Ni, 10% Cr 5% adaosuri de dezoxidare |
|
10-3 (intre 201000 C) |
12.6 intre C |
|
|
95% Ni, 5% adaosuri de dezoxidare |
|
(intre 201000 C) |
58.6 intre C |
|
|
90% Pt 10% Rh |
|
(intre 201600 C) |
30.1 la 20 C |
|
|
100% Pt |
|
(intre 201600 C) |
69.5 la 20 C |
|
|
70% Pt 30% Rh |
|
(intre 01600 C) |
|
|
|
94% Pt 6% Rh |
|
10-3 (intre C) |
|
|
Cromel-Alumel (E) ;
Fier-Constantan (J) ;
Cupru-Constantan (T) ;
Pallaplat ;
Cromel-Alumel (K) ;
Wre(3%)-Wre(25%) ;
Wre(5%)-Wre(26%) ;
PtRh(13%)-Pt(R) ;
PtRh(10%)-Pt(S) ;
PtRh(30%)-PtRh(6%) (B).
Fig. 10.12 T.e.m, functie de temperatura (KTC) pentru diferite tipuri de termocupluri
Tabelul 10.2
|
Tip termocuplu |
Simbol |
Limita de utilizare C |
T.e.m. maxima mV |
||
|
Minima |
Maxima |
||||
|
continua |
intermitenta |
||||
|
Fier- Constantan |
J |
|
|
|
|
|
Cupru-Constantan |
T |
|
|
|
|
|
Cromel-Constantan |
E |
|
|
|
|
|
Cromel-Alumel |
K |
|
|
|
|
|
Cupru-Copel |
|
|
|
|
|
|
Cromel-Copel |
|
|
|
|
|
|
PtRh(10%)-Pt |
S |
|
|
|
|
|
PtRh(13%)- Pt |
R |
|
|
|
|
|
PtRh(30%)- PtRh (6%) PtRh-18 |
B |
|
|
|
|
|
PtRh(20%)- PtRh(5%) |
|
|
|
|
|
|
IrRh(40%)-Ir |
|
|
|
|
|
|
IrRh(50%)-Ir |
|
|
|
|
|
|
IrRh(60%)-Ir |
|
|
|
|
|
|
Wre(5%)-Wre(26%) |
C |
|
|
|
|
|
Wre(3%)-Wre(26%) |
|
|
|
|
|
|
Crommel-FeAu(0.07%) |
|
|
|
|
|
Observatie: Denumirea fiecarui tip de termocuplu este astfel facuta incat primul termoelectrod are polaritatea (+) iar al doilea polaritatea (-).
Pentru masurari de temperatura in reactoare nucleare se utilizeaza termocuplul PtMo(5 %) - PtMo(0,l %), care acopera acelasi domeniu de masurare ca si termocuplul PtRh-Pt, folosirea acestuia din urma nefiind indicata intrucat rhodiul, intr-un flux de neutroni, se transforma usor in paladiu, ducand la decalibrarea termocuplului.
Ca termocupluri nemetalice se mentioneaza: MoSI2- WSI2, utilizat in medii agresive pana la 1700°C; grafit - ZrBa, utilizat la masurari in metale topite pana la 1800°C; grafit - TiC, folosit in medii reducatoare pana la 2500°C; Zr-CbC, folosit in vacuum si atmosfere neutre pana la 3000°C; aceste termocupluri sunt putin raspandite datorita fragilitatii, dimensiunilor mari si slabei reproductibilitati in procesul de fabricatie, dar au avantajul ca pot functiona la valori ridicate de temperatura.
.Sensibilitatea KTC, asa cum rezulta si din prezentarea grafica din figura 10.12 este de valori reduse - uzual intre 0,005 si 0,07 mV/°C - nefiind constanta pe domeniul maxim de masurare, deci relatia ( este valabila pe intervale mici din domeniul total de functionare. In consecinta, caracteristica statica a unui termocuplu este data sub forma tabelata, prin specificarea t.t.e.m. pentru fiecare crestere cu 1 °C a temperaturii pe intreg domeniul de masurare, incluzand si zona cu functionare intermitenta, jonctiunea de referinta fiind considerata la 0°C ].
Forme constructive
Un termocuplu industrial se compune (figura 10.13) din cei doi termoelectrozi 1, teaca de protectie 2, cutia de conexiuni 3 si placa de borne 4; in exteriorul tecii de protectie se afla un dispozitiv de fixare, care poate fi de tip niplu sudat sau mobil 5, flansa fixa (sudata) 6 sau mobila 7. Cablul de prelungire este adus la placa de borne 4 prin zona de acces 10, fixarea acestuia facandu-se dupa desurubarea capacului 9.
Fig. 10.13 Elemente constructive ale unui termocuplu industrial
Elementele constructive ale unui termocuplu industrial:
1-termoelectrozi; 2-teaca de protectie; 3-cutie de conexiuni; 4-placa de borne; 5-niplu sudat; 6-flansa fixa; 7-flansa mobila; 8-jonctiune de masurare; 9-capac; 10- presetupa-trecere conductoare de prelungire.
Intrucat, in timpul functionarii, temperatura exterioara cutiei de conexiuni nu trebuie sa depaseasca 150°C, lungimea nominala a termocuplului LN trebuie sa fie cu cel putin 100 mm mai mare decat lungimea de imersie Li.
Pentru izolarea termoelectrozilor intre ei si fata de peretele interior al tecii de protectie se utilizeaza materiale ceramice sub forma de margele sau tuburi (figura 10.14).
Forma, dar in special materialul din care sunt confectionati izolatorii, pot influenta t.t.e.m. generata de termocuplu, in special la utilizarea acestuia in medii gazoase cu temperaturi ridicate. Astfel, odata cu cresterea temperaturii, se constata o scadere a rezistivitatii si a rezistentei de izolatie a izolatorului ceramic (datorita ionizarii spatiului dintre termoelectrozi), in special la cel de tip margea. Se constata ca cea mai buna configuratie este obtinuta la folosirea termoelectrozilor izolati in tuburi ceramice, acest ansamblu fiind, la randul sau, introdus in teaca de protectie.
Forma de termocuplu, exemplificata in figura 10.13 reprezinta varianta normala (standard), cu cea mai larga utilizare industriala. Dat fiind diversitatea proceselor industriale (la care sesizarea temperaturii se face cu ajutorul termocuplurilor), aceasta s-a rasfrant si asupra formelor constructive pe
care le prezinta termocuplurile, drept criterii de departajare utilizandu-se presiunea de lucru a mediului in care se face masurarea, pericolul de explozie, modalitatea de preluare a temperaturii, timpul de raspuns impus termocuplului la variatia temperaturii mediului. Criteriile anterior enuntate se regasesc in formele speciale si dimensiunile de gabarit pe care le prezinta teaca de protectie si cutia de borne, materiale folosite in confectionarea acestora, cat si modalitatea diferita de prindere pe recipientul in care se afla mediul cu temperatura de lucru.
Fig. 10.14. Modalitati de realizare a izolatorilor ceramici
a- termoelectrozi bara fara izolatori;
b- termoelectrozi cu izolatori din margele cu un singur orificiu;
c- termoelectrozi cu izolatori margele cu doua orificii;
d- termoelectrozi cu izolatori tip imbinare os de peste;
e- termoelectrozi cu izolatori ovali cu doua orificii;
f- termoelectrozi cu izolatori tip tub cu un singur orificiu;
g- termoelectrozi cu izolatori tip tub cu 2 sau 4 orificii (tubul cu 4 orificii se utilizeaza pentru montarea a doua termocupluri in acelasi ansamblu);
h- termoizolatori izolati cu pulberi minerale (oxid de magneziu).
Teaca de protectie are rolul de a feri termoizolatorii de actiune corosiva a mediului a carui
temperatura se masoara, impiedica deteriorarea lor mecanica, asigura o montare corecta si comoda a termocuplului in zona de masurare. Tecile de protectie trebuie sa fie rezistente la socurile termice, sa nu se deformeze in gama temperaturii de masurare, sa aiba o buna conductibilitate termica in scopul transmiterii rapide a temperaturii mediului la jonctiunea de masurare, sa asigure o buna etansare in vederea izolarii termoelectrozilor de mediul in care se face masurarea.
Materialele ,utilizate in realizarea tecilor de protectie sunt metale(otel de constructie, otel inoxidabil, otel refractar, cupru, aluminiu), aliajele metalice (inconel, sicromal), materiale ceramice (oxid de aluminiu, oxid de magneziu, oxid de zirconiu, oxid de beriliu, oxid de thoriu) si cuartul.
La utilizarea termocuplurilor cu teaca se va avea in vedere ca montarea acestora sa se faca pe directia gradientului maxim de temperatura, in scopul minimizarii erorilor de masurare. De asemenea, utilizarea tecilor de protectie trebuie facuta cu mare discernamant in mediile de lucru cu agenti puternic corozivi, care scurteaza durata de functionare a acestora, sau pot produce modificari structurale in timp avand drept efect inrautatirea proprietatilor de transmisie termica.
Dimensiunile si materialul tecii de protectie influenteaza decisiv in stabilirea constantei de timp T a unui termocuplu (sub aspect dinamic un termocuplu este echivalat unui element de intarziere de ordinul I, caracterizat deci de o singura constanta de timp); in functie de valorile lui T se utilizeaza clasificarea
-termocupluri foarte rapide avand T<5s;
-termocupluri rapide cu 5
T<15s;
-termocupluri semirapide cu 15
T<90s;
-termocupluri lente la care T este in domeniul 90
T<240s;
-termocupluri foarte lente avand T
240s.
Atingerea valorii de temperatura din incinta in care se face masurarea - valoarea de regim stabilizat - se realizeaza practic dupa un timp de raspuns ts=3T( cand TC s unde TC - temperatura jonctiunii de masurare a termocuplului, S - temperatura stabilizata a incintei), respectiv ts = 4T (cand TC =0,989s). Cunoscandu-se constanta de timp a termocuplului T - valoare inscrisa obligatoriu pe eticheta acestuia se pot face corectii ale valorilor masurate dupa un timp de imersare de 3T, respectiv 4T, in vederea obtinerii cat mai exacte a temperaturii incintei.
5.2. Cabluri de prelungire ; jonctiunea de referinta
Variatia t.t.e.m. data de un termocuplu (cu jonctiunea de masurare imersata intr-un mediu cu temperatura ) este conforma cu valorile de pe caracteristica statica a acestuia, daca jonctiunea de referinta este mentinuta la temperatura 0°C.
Deoarece capetele libere ale celor doi termoelectrozi se afla in cutia de borne, situata in mediul ambiant, din imediata apropiere a procesului in care se face masurarea, este imposibil de mentinut temperatura acesteia la 0°C. In consecinta se 'transfera' jonctiunea de referinta de la cutia de borne intr-un loc din apropierea adaptorului - sau chiar in adaptor daca distanta permite - in acest scop folosindu-se cabluri de prelungire.
Cablurile de prelungire constau din doua conductoare, izolate electric, realizate din aceleasi
materiale ca si termoelectrozii termocuplului - pentru cazul termocuplurilor din metale (aliaje) obisnuite - sau din metale (aliaje) diferite de cele ale termoelectrozilor - pentru cazul termocuplurilor din metale (aliaje) nobile - care in intervalul 0 100°C dezvolta o t.t.e.m. egala cu a termocuplului la care se conecteaza.
Izolatia cablurilor de prelungire difera in functie de proprietatile mediului (variatii de
temperatura, agenti corozivi, umezeala) in care sunt puse sa lucreze; astfel, pentru atmosfere uscate sau umede se utilizeaza izolatie din materiale termoplastice (nylon, polivinil), pentru medii cu temperaturi mari si conditii grele se folosesc izolatii din cauciuc siliconic armate cu impletitura otelita, iar pentru
atmosfere uscate, cu temperaturi ridicate, izolatia se realizeaza din azbest si fibre de sticla armate cu impletitura otelita. Industrial se realizeaza cabluri de prelungire de diametre diferite specificandu-se pentru fiecare tip rezistenta electrica pe metru, deoarece pot exista restrictii de lungime impuse de impedanta de intrare a adaptorului.
Cele doua conductoare ale cablului sunt codificate prin culori pentru recunoasterea imediata a celui pozitiv, respectiv negativ, la montare respectandu-se strict conectarea conductorului pozitiv la
termoelectrodul (+) si a celui negativ la termoelectrodul (-). In [31] sunt date cablurile de prelungire si.
|
Regleta de conexiuni |
|
Regleta de conexiuni |
Spre adaptor
ref = 0 C
Fig. 10.15. Modalitatea de compensare a jonctiunii de referinta prin utilizarea unui termocuplu de acelasi tip si mentinerea acestuia la C
Metode de realizare a jonctiuni de referinta 0 °C. in conformitate cu forma caracteristicii
statice a unui termocuplu, utilizarea directa a t.t.e.m. generate de acesta in adaptor presupune mentinerea jonctiunii de referinta la temperatura de 0°C; in laboratoare, sau industrial in faza de etalonare a traductorului, jonctiunea de referinta se mentine la 0°C utilizand dispozitive sau instalatii frigorifice speciale (de exemplu vase Dewar cu gheata pisata saturata cu apa, sau camere termoelectri
ce de referinta pentru punctul de inghet al apei distilate). In figura 10.15 se prezinta modalitatea de compensare a temperaturii jonctiunii de referinta prin utilizarea unui termocuplu, de acelasi tip, mentinut la 0°C.
In aplicatiile industriale procedeele utilizate in laborator sunt impracticabile, recurgandu-se la urmatoarele metode:
a) mentinerea jonctiunii de referinta la o temperatura constanta pozitiva, superioara valorii maxime previzionale a locului unde, cu ajutorul cablurilor de prelungire, este adusa jonctiunea (figura 10.16). Placa metalica PM este adusa la temperatura θ0 (uzual se folosesc valorile θ0 = 50°C sau 60°C sau 70°C) cu ajutorul rezistentei de incalzire RI, mentinerea constanta a temperaturii fiind realizata de blocul de termoreglare BTR; pe baza informatiei termice primite de la termorezistenta TR, continuta in PM. In placa metalica sunt implantate termocuplurile miniatura TC'1TC'24, conectate extern, impreuna cu termocuplurile de proces corespunzatoare TC1.TC24, la sirul de cleme asa cum este prezentat in figura
![]()

Fig.10.16. Metoda mentinerii jonctiunii de referinta la o temperatura constanta pozitiva. TC'1 TC'24- termocupluri de proces; TC1TC24-temocupluri de referinta miniatura; CP -cabluri de prelungire; Cu -conductoare de cupru; PM - placa metalica; RI -rezistenta de incalzire; TR- termorezistenta; BTR- bloc de termoreglare; SA- sursa de alimentare.
In conformitate cu legile circuitelor termoelectrice, [3], luand ca referinta conductoarele de cupru prin care se asigura conexiunea in adaptor, la fiecare circuit termoelectric (1)(24), apar 4 termocupluri - cate doua in opozitie. Referitor la circuitul (1), acesta contine doua termocupluri cromel (CR)-alumel (AL) si doua alumel (AL)-cupru (Cu), astfel ca t.t.e.m. prezenta la bornele adaptorului va fi
( )
Aceasta valoare este corespunzatoare termocuplului TC1, care are jonctiunea de referinta la temperatura . Corectia de referinta diferita de 0°C se asigura in adaptor prin sumarea la intrarea acestuia a unei tensiuni
echivalente
Caracteristica de iesire a termocuplului nu este liniara. In practica, aceasta caracteristica este liniarizata pe portiuni, cu ajutorul unor circuite elctronice.
Liniarizarea caracteristicii globale Ie = f( ), impusa de neliniaritatea caracteristicii statice a termocuplului (abaterea de la liniaritate a termocuplurilor pe domenii uzuale de folosire este de 1,5. .5%, in timp ce precizia impusa ansamblu lui termocuplu - adaptor este 0,20,5%), se realizeaza cu o retea de aproximare prin segmente, metodologia constand in generarea unei caracteristici cu neliniaritate inversa celei pe care o are elementul sensibil (figura 10.21). Astfel, presupunand ca traductorul, fara liniarizare, are caracteristica reala de functionare Ie = f( ), daca blocul adaptor ar functiona dupa caracteristica Ie = g(ETC), a carei neliniaritate inversa compenseaza pe cea provocata de termocuplu, pe ansamblu traductorul ar asigura functionarea dupa caracteristica ideala, fara eroare
Ie-id=f(
Chiar daca ar fi posibila exprimarea analitica a dependentelor Ie = f( ), respectiv Ie = g(ETC), modalitatea lor de implementare practica ar complica nepermis structura adaptorului. Ca urmare, se procedeaza la generarea caracteristicii liniarizate Ie-lin = glin(ETC) prin liniarizare pe portiuni, asigurandu-se functionarea ansamblului traductor dupa caracteristica liniarizata Ie-lin = flin( ), a carei abatere fata de caracteristica ideala nu depaseste valoarea erorii maxime impuse liniarizarii
Exemplu de realizare a liniarizarii. Cele mai folosite scheme
de liniarizare utilizeaza,
pentru frangerea caracteristicii statice, montaje cu diode (punctiforme sau
Zener) sau cu
tranzistoare. In cele ce urmeaza se va detalia (in
figura 10.22) modalitatea de realizare a retelei
de aproximare prin segmente utilizand
tranzistoare. In figura 10.22, cu linie
continua s-au repre
zentat circuitele tranzistorizate
care produc cresterea factorului de reactie
(functionarea adaptoru-
lui dupa caracteristica Ie-lin = glin(ETC)
reprezentata in figura , iar cu linie punctata cele care
realizeaza micsorarea
factorului de reactie (functionarea pe o caracteristica
aflata deasupra celei
ideale); de retinut ca, prin combinarea celor doua
modalitati, se asigura functionarea pe orice tip
de caracteristica si totodata schema poate fi
extinsa la un numar de segmente oricat de mare
(pentru simplitate, in figura 10.22 s-a considerat cazul aproximarii prin 3 segmente).
Tranzistoarele au potentialul bazei la o tensiune negativa, fixata cu ajutorul unor potentiometre intre 0 si U volti. Un tranzistor se deschide atunci cand tensiunea de intrare in retea UIN este:
10.xxx
adica, tinand seama de curentul Ie care determina pe UIN:
(10.xxx)
|
|
Fig. 10.22. Structura de principiu a retelei de aproximare prin segmente
utilizand tranzistoare.
conditia devine :
![]()

caz in care tranzistoarele T1 si T2, fata de punctul A, lucreaza in montaj repetor pe emitor (tranzistoarele T1' si T2' lucreaza in acelasi montaj avand ca referinta potentialul masei
Atat timp cat tranzistoarele sunt blocate cuadripolul montat pe reactie se comporta ca un divizor, asigurand dependenta
![]()
sau ![]()
care reprezinta o dreapta ce trece prin origine, de panta
,
valoarea lui K1 fiind determinata in special de R2.
Odata cu cresterea lui Ie se ajunge la situatia indeplinirii conditiei ( ), astfel ca primul tranzistor intra in conductie, asigurand prin rezistenta RE un curent:
![]()
![]()
Considerand tranzistoarele T1 si T'1 in conductie se obtin variatii ale tensiunii U0, care reprezinta ecuatiile unor drepte cu panta si origine diferita, ce pot fi scrise simplificat, dupa cum urmeaza.
Utilizand in schema circuitului de reactie fig. 10.22, pentru cazul tranzistorul in conductie, teoremele lui Kirchhoff si teorema divizorului de tensiune se obtin relatiile:
;
respectiv:
;
Se observa ca
pentru RE , respectiv
fig. 10.22) curentii
de emitor
si
se anuleaza,
conform (10.30), ajungandu-se in situatia tranzistoarelor blocate.
Valorile pantelor
segmentelor (ce aproximeaza curbele din fig ),
in cazul intrarii in conductie a tranzistoarelor se impun prin
rezistentele RE, respectiv
, iar punctele in care se produc frangerile se impun prin
potentialele
respectiv
(ajustand valorile
,
).
5.2. Traductoare de temperatura cu senzori rezistivi
Principiu de functionare. Functionarea senzorilor rezistivi se bazeaza pe proprietatea unor
materiale (metale, aliaje, oxizi metalici) de a-si modifica rezistenta electrica in functie de temperatura mediului de lucru in care sunt amplasate. Variatiile de rezistenta electrica sunt preluate de catre adaptor, care le converteste in semnal electric de iesire.
In functie de natura materialului utilizat la confectionarea senzorului se disting :
-termorezitente, realizate din metale prin bobinare spatiala sau plana si prin depunere pe suporturi izolante ;
-termistoare, obtinute prin sintetizarea unor pulberi de oxizi metalici.
5.2.1. Termorezistente uzuale
Cele mai raspandite termorezistente in aplicatiile industriale se obtin prin bobinarea antiinductiva, pe un suport izoiant, rezistent la variatii mari de temperatura; senzorul astfel obtinut se introduce in teci de protectie, prevazute cu dispozitive de prindere si cutii de borne similare celor utilizate la termocupluri (figura 10.24).
Fig. - Elementele componente ale unei termorezistente tehnice:
a-senzor pe suport de sticla; b- senzor pe suport de mica; c- senzor pe suport de mica cu sectiune in forma de cruce; d- senzor pe suport de alumina sintetizata si acoperit cu material ceramic; e-termorezistentatehnica; l-senzor; 2-teaca de protectie; 3,4,5- dispozitive de fixare; (3- niplu filetat, 4- flansa fixa, 5- flansa mobila); 6-cutie de borne; Li - lungime de imersie; LN- lungime nominala.
Pentru a exprima si
compara proprietatile termice ale materialelor folosite la
confectionarea senzorilor rezistivi se utilizeaza coeficientul de
temperatura α
definit pe
intervalul 0°C 100°C prin relatia:
α![]()
(10.xxxx)
sau raportul W100 al rezistentelor:
W100=
(10.xxxx)
unde R0, R100 reprezinta firul conductor la C, respectiv 100 C.
![]()
![]()
![]()
![]()
![]()
![]()
![]()
![]()
![]()
![]()
![]()
![]()
S-a observat (experimental) ca ![]()
aceste cu
atat mai mare, cu cat puritatea metalului
utilizat este mai ridicata, crescand de asemenea odata cu
inlaturarea tensiunilor mecanice ale firului rezistiv.
Principalele caracteristici ce permit compararea termorezistentelor intre ele sunt:
- materialul din care este confectionat senzorul (platina, cupru, nichel, mai rar wolfram si molibden);
- valoarea rezistentei la 0°C, R0 si eroarea sa tolerata (se construiesc termorezistente de 100Ω±0.1%, 100Ω±0.2%, 50Ω±0.1%, 50Ω±0.2%, mai rar 46Ω±0.1% si 53Ω±0.%);
- constanta de timp, T (se disting termorezistente ce au constanta de timp mica T < 15s; medie T=15.. .80s si mare T > 80s);
- intervalul de masurare, , in functie de care exista termorezistente de joasa temperatura (-200°C+30°C de medie temperatura (0°C+250°C), de inalta temperatura (0°C+650°C /+850°C);
- gradul de protectie mecanica, climatica, antiexploziva;
- clasa de precizie exprimata in procente delimitata prin eroarea tolerata admisa raportului W100 (clasa I - ±0,0005, clasa II - ±0,001, clasa in - ±0,002).
Pentru proprietatile sale - punct de topire ridicat (1772°C, rezistenta la medii oxidante, reproductibilitatea foarte buna a valorii rezistentei electrice pentru orice temperatura din domeniul de utilizare - platina este metalul cel mai utilizat in realizarea termorezistentelor pentru aplicatiile industriale (se reaminteste ca sunt realizate termorezistente etalon din platina pentru reproducerea scarii practice de temperatura).
Legatura dintre rezistenta electrica a termorezistorului de platina Re si temperatura 6, pentru domeniul [0°C +630,74°C], este de forma:
![]()
iar pentru domeniul [-182.962 C0 C] este de forma:
![]()
in care A=
B= -5.8
, C= -4
sunt constante
determinate pentru platina pura (puritatea
Relatiile ( ) si ( ) se folosesc in operatiile de etalonare efectuate in laboratoarele metrologice autorizate. In aplicatiile industriale se utilizeaza caracteristica statica tabelata, care precizeaza valoarea rezistentei termorezistorului, din °C in °C sau din 10°C in 10°C, pe domeniul maxim de utilizare a acesteia. In mod uzual domeniul de lucru al termorezistentelor de platina este [-200oC+650oC], iar in
constructii speciale, poate fi extins pana la +850°C. Spre temperaturi inalte apare fenomenul de volatilizare, care este contracarat prin folosirea unei sarme de platina cu diametrul mare (diametrul
firului este tipic 0,05mm, dar poate ajunge pana la 0,5mm atunci cand se doreste extensia limitei superioare a domeniului de utilizare).
Observatie: Folosirea termorezistentelor din platina fara teaca de protectie, impusa de necesitatea obtinerii unei constante de timp foarte mici, trebuie acuta cu precautie mai ales in medii gazoase, deoarece, in contact cu amestecurile combustibile, platina devine catalizator accelerand procesul de ardere, consecinta fiind masurarea eronata a temperaturii.
Cuprul permite realizarea unei bune reproductibilitati deoarece se poate obtine de inalta puritate pe cale electrolitica, termorezistentele din cupru fiind utilizate pe domeniul -50°C+ 180°C, intrucat peste +180°C apare fenomenul de oxidare, producand alterarea ireversibila a proprietatilor de reproductibilitate.
Nichelul are o buna sensibilitate si liniaritate dar, datorita aparitiei fenomenului de oxidare la temperaturi ridicate, termorezistentele tehnice se utilizeaza in domeniul -60°C+180°C.
Wolframul prezinta o buna liniaritate si o rezistenta mecanica ridicata, astfel ca se confectioneaza termorezistente din fire de diametru mic (1015um), utilizate pe domeniul 0°C.. .+600°C; wolframul este folosit cu predilectie fara teaca de protectie, in medii gazoase cu viteze mari de curgere, sub forma de elemente sensibile cu fire calde (detalii sunt prezentate in §10.7.2 destinat termorezistentelor speciale). Principalele caracteristici ale termorezistentelor tehnice fabricate in tara sunt prezentate in tabelul
In mod uzual pe acelasi suport izolant (figura 10.24 ad) se realizeaza unul sau doi senzori. Pentru protectia la agresivitatea mediului de lucru tecile de protectie pentru termorezistente se confectioneaza
din cupru - indicate pentru masurarea temperaturilor joase; otel de constructie OLT 45, recomandate pentru temperaturi pozitive in medii neutre; otel inoxidabil, indicate la temperaturi pozitive in medii oxidante sau reducatoare (tecile ceramice nu sunt utilizate dat fiind domeniul mai restrans de masurare al termorezistentelor comparativ cu cel al termocuplurilor).
|
Tip termore- zistenta |
Clasa de precizie |
Domeniul de masurare C] |
Eroarea tolerata a rezistentei R0[%] |
Valoarea nominala ptr. W100 |
Eroarea tolerata ptr.W100 |
|
Platina 100Ω sau 50Ωla 0°C |
I |
|
|
l,391sau |
|
|
II |
|
|
|
||
|
Cupru 100Ω sau 50Ω la 0°C |
II |
|
|
|
|
|
III |
|
|
|
|
|
|
Nichel 100Ω la 0°C |
III |
|
|
|
|
![]()
![]()
In
functie de forma si dimensiunile tecii de protectie, cat si
de restrictiile mediului in care se
face masurarea, se poate face o clasificare a termorezistentelor, similara
celei facute la termocupluri.
Deoarece de la cutia de borne pana la adaptor rezistenta termorezistentei este adusa prin intermediul unui cablu, care introduce suplimentar o rezistenta de linie, este indicat ca valoarea nominala R0 sa fie cat mai mare; asa se explica [16] si [ ] | utilizarea predilecta a termorezistentelor cu R0 = 100Ω, existand chiar realizari industriale de 500 si 1000Ω Tendinta de standardizare pe plan mondial din domeniul sistemelor si echipamentelor de automatizare se rasfrange si asupra termorezistentelor (de exemplu, pentru cazul termorezistentelor de platina destinate aplicatiilor industriale, marile firme produc cu predilectie Pt 100 cu W100 =1,385 (s-a adoptat valoarea 100 pentru rezistenta termorezistorului la 0°C). Datorita diametrului mic al firului rezistiv puterea disipata de o termorezistenta este redusa; pentru a nu exista pericolul incalzirii prin efect Joule, curentul admisibil
printr-o termorezistenta nu depaseste 1mA - pentru cele cu diametrul de 0,05mm, respectiv respectiv l0mA - pentru cele cu diametrul sarmei de 0.1.0,05mm
In Tabelul 3 sunt prezentate caracteristicile acestor materiale, cu precizarea ca ele difera la termometrele cu rezistenta nominala de 100 Ω.
Tabelul 3
|
Caracteristici/Material |
Platina |
Nichel |
Cupru |
|
Rezistivitatea la 0 C m-1 |
|
|
|
|
|
|
|
|
|
|
|
|
|
|
α[°C-1] |
|
|
|
|
β[°C-2] |
|
|
|
|
Domeniul de temperaturi masurabile C |
|
|
|
Expresia
reprezinta un
parametru aditional pentru caracterizarea termometrelor cu
rezistenta metalic, cunoscut sub denumirea de coeficient de
temperatura intre 0 si 100 C.
Firul metalic este infasurat pe un tub ceramic si fixat in interiorul une incinte de protectie formand sonda de temperatura. Ea este conectata in ramura de masura a unei punti Wheatstone de curent continuu. Dupa ce puntea a fost echilibrata la temperatura de referinta, dezechilibrul ei va fi functie temperatura. Aceasta va fi indicata de catre voltmetrul din ramura de masura a puntii, etalonat in unitati de temperatura .
Curentul care parcurge senzorul rezistiv trebuie sa fie suficient de mic, astfel incat sa nu determine cresterea temperaturii acestuia prin efect Joule. Practic se accepta o crestere cu maximum 0.5 C a temperaturii senzorului datorata curentului de excitare.Un alt efect care poate introduce erori in procesul de masurare este caderea de tensiune pe firele de conexiune dintre senzor si sistemul de masura, mai ales daca acestea sunt lungi si au rezistente comparabile cu ale senzorului. Acest efect poate fi compensat prin adaugarea unor conductori de compensare in ramura puntii adiacenta cu sonda, ca in figura de mai sus, sau folosind metoda celor 4 fire (conexiunea Kelvin
Aceasta metoda se foloseste mai ales atunci cand distanta de la sonda la sistemul de masura si afisare a temperaturii este mare. O astfel de sonda este prezentata in figura de mai jos.
Schema echivalenta a sondei si sistemului de masura este prezentata in figura de mai jos.
Alimentarea sondei se face cu o sursa de curent constant aflata in apropierea ei, prin conductoare scurte. Masurarea tensiunii pe senzorul rezstiv se face fie un voltmetru digital cu impedanta de intrare foarte mare, etalonat in unitati de temperatura, fie cu un amplificator sau de instrumentatie. In ambele cazuri curentul parcurge conductoarele de masura este foarte mic, astfel incat caderea de tensiune pe ele este mult mai mica decat caderea de tensiune pe senzorul rezistiv.
5. Termorezistente speciale
Pentru aplicatiile care necesita masurari 'punctuale' sau in medii cu variatii rapide de temperatura se realizeaza elemente rezistive speciale, avand caracteristici statice similare unei termorezistente.
. Termorezistenta tip 'retea rezistiva' (figura 10.25) se realizeaza printr-o tehnologie similara marcilor tensometrice din folii metalice.
Fig. . Element sensibil de tip 'retea
rezistiva
Partea sensibila propriu-zisa consta dintr-un filament de sarma subtire de nichel, balco (aliaj al fierului cu nichelul) sau cupru, dispus in zig-zag pe un suport izolant, incapsulat intr-un material poliamidic sau rasina epoxidica armata cu fibra de sticla. Senzorul astfel obtinut se fixeaza prin cimentare cu rasini termoplaste pe suprafata obiectului a carui temperatura se masoara.
Retelele rezistive se folosesc in domeniul temperaturilor joase si medii (cele de nichel si balco intre -195°C si +260°C, cele din cupru intre -195°C si +120°C) cu valori nominale intre 50 5000 Ω; fiind de dimensiuni foarte mici (1,25 x 1,5 x 0,1 mm) permit masurari 'punctate' de temperatura.
Datorita neliniaritatii relativ mari pe care o prezinta materialele utilizate in domeniul temperaturilor de lucru se procedeaza la liniarizarea elementului sensibil prin suntarea sa externa cu o rezistenta de manganina, in detrimentul sensibilitatii.
. Pentru domeniul temperaturilor foarte joase (criogenice) s-au realizat senzori tip 'retea rezistiva' (care includ - in aceeasi structura - rezistenta dependenta de temperatura si rezistenta de liniarizare. Constructiv, senzorul criogenie, consta din retele sensibile sub forma de folii subtiri, laminate intr-o fibra de sticla si consolidate matricial intr-o rasina epoxidica, care din punct de vedere electric sunt conectate in serie.
Retelele, una din nichel si cealalta din manganina sunt astfel dimensionate incat caracteristica statica a senzorului compus prezinta o liniaritate foarte buna pe domeniul de utilizare (figura 10.26).
Eroare de neliniaritate
-100 -50 0 24
Temperatura
Fig. 10.26. Eroarea de neliniaritate obtinuta la o 'retea rezistiva' de nichel suntata cu o rezistenta de 187,5 Ci din manganina.
O astfel de termorezistenta temperatura de 23,9°C, are sensibilitatea 0,2389 Ω/ °C, asigurand un domeniu de masurare intre -269°C si +24°C; de dimensiuni foarte mici (10,9 x 7,9 x 0,1 mm), cu o arie sensibila de 23,5 mm2 si o masa de 0,02g, permite obtinerea unui timp de raspuns foarte mic; materialul de acoperire al senzorului il protejeaza de distrugerea la socuri termice puternice, putand fi introdus de la temperatura ambianta in gaze lichefiate (de exemplu in He lichid la -269°C) fara alte precautii.
In cazul in care domeniul de temperaturi masurate este mare si variatia rezistentei senzorului nu mai poate fi considerata liniara,raspunsul lui poate fi liniarizat folosind o punte cu amplificator operational (punte activa), senzorul rezistiv fiind plasat in ramura de curent constant (ramura de reactie negativa) a amplificatorului operational. Daca semnalul de la iesirea puntii astfel realizate nu este suficient de mare, el poate fi amplificat cu un al doilea amplificator operational sau de instrumentatie.
Se poate demonstra usor ca tensiunea de dezechilibru a unei punti de curent continuu ca cea din figura de mai jos este :
![]()
Dependenta de variatie R a unei rezistente este neliniara
Amplificatorul operational AO1 lucreaza in conexiune inveroare, tensiunea de iesirea lui fiind:
![]()
Scriind expresia termorezistentei la o temperatura oarecare T ca:
RT=RT0+ RT
unde RT0 este valoarea termorezistentei la 0 C
Amplificatorul operational AO2 lucreaza in conexiune sumatoare. El insumeaza ponderat tensiunea V1 cu tensiunea de referinta, furnizand la iesire tensiunea:
![]()
Tinand cont de conditia de echilibru a unei punti de curent continuu, este oportun sa se aleaga R1=R2, astfel incat relatia precedenta va deveni:

sau, facand substitutia, RT=RT0+ RT , se obtine:
![]()
Astfel, tensiunea de iesire a traductorului compus din senzorul de temperatura si electronica de masura va avea doua avantaje majore fata de traductorul cu punte simpla:
dependenta tensiunii de iesire de variatia rezistentei senzorului este liniara;
tensinea de dezechilibru a puntii este amplificata
Termistoare
Termistoarele sunt componente electronice pasive realizate din materiale semiconductoare care isi modifica rapid si intr-o plaja de variatie mare rezistenta , electrica sub actiunea unor variatii relativ reduse.de temperatura. Dependenta rezistenta-temperatura respecta aproximativ o lege exponentiala de forma
(10.xxxx)
in care RT, R0 sunt rezistente termistorului la temperaturile T, respeciv T0 in Kelvini K , iar b este o constanta ce depinde de materialul din care este confectionat termistorul.
Se remarca faptul ca un termistor are coeficientul de variatie cu temperatura negativ, intrucat :
![]()
si, deoarece constanta b[K] este de
valori mari (intre 2500 si 13000), sensibilitatea unui termistor este de 8 10 ori mai mare decat a unei
termorezistente, dar caracteristica statica este puternic
neliniara.
Fig. 10.28. Raportul rezistentelor RT/RT0 pentru un termistor si o termorezistenta
In scopul unei comparari imediate si sugestive in figura se prezinta dependenta de temperatura a raportului RT/RT0 pentru un termistor si o termorezistenta [ ]. Relatia ( )
aproximeaza destul de bine caracteristica statica a unui termistor; dar cand se doreste o lege de dependenta mai precisa se poate utiliza relatia:
(10.xxx)
in care constantele A, B, C pot fi determinate pentru un set de 3 valori (Rr,
T) din domeniul de functionare al termistorului. De exemplu, considerand
temperaturile T1, T2, T3 situate in domeniul
[-40°C
T1,T2,T3
+150°C], cu |T2-Ti| < 50°C si
T3-T2
50°C, pe baza acestora se determina din caracteristica
statica, rezistentele RT1, RT2, RT3, iar din relatia ( ) valorile constantelor A, B, C. Astfel se
obtine o dependenta care interpoleaza caracteristica
reala a termistorului cu o precizie mai buna de ±0,01°C
Termistorii
se produc sub mai multe forme geometrice: disc, margea, bara
Dependentele de temperatura ale rezistentei unui termistor, a rezistentei sunt de liniarizare si a rezistentei liniarizare, pe un domeniu de temperatura de 100 C
Observatie: Exista si termistoare care au coeficientul de variatie cu temperatura pozitiv - denumite pozistoare. Acestea prezinta o scadere lenta a rezistentei pana la o temperatura de prag,
urmata de o crestere brusca.Datorita acestei proprietati, pozistoarele se utilizeaza la realizarea sesizoarelor de temperatura sau ca 'sigurante' cu revenire automata
In masurarile continue de temperatura se utilizeaza termistoare care au coeficient negativ de liniaritate prin dispunerea unei rezistente invariante cu temperatura in serie sau in paralel cu termistorul (figura 10.29).
In practica, termistorul impreuna cu rezistenta sunt de liniarizare se monteaza intr-o punte de curent continuu, al carei raspuns se liniarizeaza cu un amplificator operational, asa cum am folosit in cazul senzorilor metalici. Grupul paralel format din termistor si rezitenta de liniarizare se conecteaza in ramura de reactie negativa a amplificatorului operational. Pentru amplificarea semnalului de raspuns al puntii active la valoarea dorita, semnalul de la iesirea puntii active se poate aplica la intrarea unui etaj de amplificare realizat tot cu un amplificator operational.
Fig. - Modalitati de liniarizare a caracteristicilor termistoarelor:
a, b, c- cu un termistor si obtinerea unei dependente liniare a curentului I in functie de temperatura; d, e- cu 2, respectiv 3, termistoare si obtinerea unei dependente liniare a tensiunii U1(cu panta pozitiva), respectiv U2 (cu panta negativa), in functie de temperatura; f, g - cu 2, respectiv 3, termistoare si obtinerea unei dependente liniare a rezistentei totale Rt in functie de temperatura
Astfel, considerand o rezistenta r in serie cu RT alimentate de la o tensiune constanta U (figura10.29 a), prin circuit va trece curentul:
(10.xx)
Daca se dezvolta in serie expresia curentului I din (10.41), in jurul temperaturii T0, rezulta:
(10.xxx)
unde I
sunt derivatele curentului I in raport cu T.
Daca se lucreaza
pe intervalele (T-T0) mici, derivatele de ordinul 3, 4, . sunt de
natura unor erori de neliniaritate. Pentru a obtine dependenta
liniara intre curentul (I) si temperatura masurata (T) este
necesar ca derivata I
sa se anuleze rezultand pentru r expresia;
r
(10.xx)
Procedand similar in cazul unei rezistente r puse in paralel cu termistorul Rt (fig. 10.29-b), rezulta;
I
(10.xx
iar, din conditia de anulare a derivatei a doua pentru I, se obtine pentru r aceeasi valoare data de relatia
Obtinerea unei caracteristici liniarizate pe domenii extinse de temperatura se face prin dispunerea combinata de rezistentei (una serie si alta paralel cu termistorul), a caror valoare se determina printr+un procedeu similar celui expus mai sus (conditia suplimentara se obtine din anularea derivatei de ordinul 3 a curentului I).
Termistorul se realizeaza din amestecuri de oxizi cu proprietati semiconductoare ca: oxizii de Mn, Ni, Co, Cu, U, Fe, Zn, Al, Mg; baghete sau perle,apoi se sinterizeaza la temperaturi si in atmosfere riguros controlate.
Caracteristici, utilizari. Realizarile tehnologice actuale permit obtinerea de termistoare cu o reproductibilitate a caracteristicii rezistenta/temperatura sub 12% pe domenii de utilizare cuprinse intre -80% C si +150°C
In mod obisnuit domeniul de masurare a temperaturii cu ajutorul termistoarelor este -100 C+400 C, iar in constructie speciala -denumite termistoare refractare- se poate extinde domeniul pana la +1200 C. Termistoarele utilizate in masurari au rezistenta R0 la temperatura de referinta (de obicei 25 C) de ordinul kΩ-lor, in consecinta rezistenta de linie (a firelor de legatura de la termistor la adaptor) nu influenteaza masurarea ca in cazul termorezistentelor.
In acelasi timp, fiind in constructii miniatura, puterea disipata este foarte redusa(de ordinul mW-lor), de aceea curentul de functionare ete de valori mici (zeci de microamperi).
Constanta de timp a termistoarelor este de valori reduse, fiind influentata de materialul utilizat pentru protectie; la termistoarele fara protectie constanta de timp este de c.c.a 1s in lichide si 10s in aer, pe cand cu invelis de teflon acelasi termistor are constanta de timp 2.5s in lichide si 25s in aer.
Adaptoarele pentru traductoarele de temperatura cu senzori termorezistivi
Termorezistentele si termistoarele fac parte din categoria elementelor sensibile parametrice si necesita energie auxiliara in procesul de masurare a rezistentei de masurare a rezistentei electrice-astfel ca, in princpiu, adaptoarele destinate acestora sun de tipul convertor rezistenta-semnal unificat de iesire. Pentru realizarea adaptoarelor se au in vedere o serie de particularitati :
variatia redusaa a rezistentei termorezistentei-in special pe domenii mici, ca si necesitatile impuse de precizia de masurare, implica utilizarea metodelor de punte de intrare, alimentate in c.c si lucand in regim echilibrat/dezechilibrat ;
distanta relativ ridicata intre senzor si adaptor impune controlul riguros al rezistentelor de linie prin utilizarea dupa caz a doua sau 3 conductoare pentru conectarea senzorului in puntea de masurare ;
neliniaritatea caracteristicii statice a senzorului mai ales in cazul folosirii termistoarelor ca si puntii de masurare impune utilizarea unor circuite de liniarizare in structura adaptorului ;
separarea galvanica a semnalului unificat de iesire din adaptor in raport cu senzorulul si/sau cu sursele de alimentare, impusa de conditiile concrete in care se utilizeaza traductorul ;
modalitatea diferita de conectare a traductorului in sistemele de supraveghere control prin utilizarea conexiunii pe 2, respectiv 4 conductoare.
Puntile de masurare utilizare la intrarea adaptoarelor sunt, de regula punti Wheatstone rezistive alimentate in c.c, avand pe o latura senzorul. De asemenea, tot in cadrul acestora, sunt incluse anumite elemente de reglaj-pentru echilibrarea initiala, deplasarea punctului de zero etc-iar in anumite situatii, (cazul puntilor de regim dezechilibrat) se prefera strcturi de punti modificate in vederea obtinerii unei dependentei liniare cu variatia rezistentei senzorului.
In figura sunt prezentate modalitatile de conectare ale unei termorezistentei la puntea de masurare.
Punti de curent continuu in regim echilibrat
Pentru situatia functionarii in regim echilibrat a puntii rezulta:
La conexiunea cu doua conductoare
Rθ=R -(r +r
astfel ca rezistentele celor doua conductoare(r1 si r2) pot conduce la erori semnificative, mai ales cand distanta dintre locurile de plasare ale termorezistentei si ale adaptorului (care include puntea de masurare) este mare; in plus, chiar daca se inseriaza cu R2 o rezistenta de valoare r1+ r2, variatia cu temperatura a rezistentelor conductoarelor de legatura nu este in totalitatea compensata, deoarece acestea strabat un mediu ambiant a carui temperatura, de regula difera de cea a mediului in care este plasat adaptorul.
La conexiunea cu trei conductoare
Rθ=R +(r -r
astfel ca, prin alegerea convenabila a conductoarelor,se poate asigura egalitatea r2-r1, fiind posibila compensarea rezistentei firelor de legatura (se are in vedere totodata ca, traseul conductoarelor fiind acelasi, influenta temperaturii mediului se manifesta identic asupra acestora). Aceasta conexiune - cea mai utilizata de aplicatiile industriale - denumita si configuratie standard, este recomandata pentru traseele pana la 15m, pentru care variatiile de rezistenta ale conductorului suplimentar r3 nu influenteaza asupra tensiunii din diagonala de alimentare a puntii.
La conexiunea cu doua conductoare si bucla de compensare
R =R +(r +r )-(r +r
si prin alegerea conductoarelor astfel ca (r3+r4)=(r1+r2), toate avand acelasi traseu,rezulta cea mai buna compensare a rezistentei firelor de legatura; in multe aplicatii, dat fiind consumul ridicat de conductor, pentru situatia in care influenta temperaturii mediului asupra rezistentei liniei r1+r2 este neglijabila, se inlocuioesc conductorii r3+r4 printr-o rezistenta reglabila pe carcasa adaptorului,reducandu-se la conexiunea termorezistentei prin doua conductoare,la care se inseriaza R2 cu rezistenta r1+r2
La conexiunea cu patru conductoare se utilizeaza doua configuratii obtinute prin comutatorul k-rezultand pe pozitia a
R =R +(r -r
iar pe pozitia b
R =R +(r -r
astfel ca, facand semisuma celor doua valori, rezulta:
![]()
Aceasta modalitate se aplica numai in masurarile de laborator care necesita obtinerea unor precizii ridicate.
Fig.
- Modalitati de conectare a termorezistentei la puntea de masurare:
a- conexiunea cu 2 conductoare; b- conexiunea cu 3 conductoare;
c- conexiunea cu 2 conductoare si bucla de compensare; d- conexiunea cu
4 conductoare pentru masurari de precizie (etalonari).
Punti de c.c. in regim dezechilibrat.
O categorie importanta de adaptoare folosesc la intrare punti de c.c. lucrand in regim dezechilibrat, avand aceeasi structura din figura 10.30,a.b.c - denumite punti de c.c. dezechilibrate cu o singura latura activa. La o astfel de punte intereseaza in mod deosebit liniaritatea si sensibilitatea caracteristicii de transfer (tensiunea de dezechilibru in functie de variatia rezistentei senzorului). Fie structura de punte din figura 10.30-a la care, pentru simplitate, se adopta r1 = r2 = 0 Ω, R =R0 ± AR, iar echilibrul puntii este asigurat pentru valoarea R0 a rezistentei senzorului (R0 = R2R). Tensiunea de dezechilibru va avea valoarea
(10.xxx)
Deoarece AR/(R0 + R)<<1 se poate proceda la o dezvoltare in serie a termenului 1/[1 ± (ΔR/R0 + R)]. Retinand din dezvoltare doar primul termen, se obtine:
(10.xx)
Se observa ca tensiunea de dezechilibru este compusa dintr-un termen liniar cu ΔR si altul cu variatie neliniara Ud-nel. Daca se impune o eroare de neliniaritate maxima (in valoare absoluta) pentru Ud - (Ud-nel) max se poate determina variatia maxima a rezistentei senzorului ΔRmax , in functie de elementele puntii, din conditia
![]()
(10.xx)
Observatie: Relatia ( se poate utiliza si reciproc, la dimensionarea elementelor componente ale puntii, atunci cand se cunoaste variatia maxima Rmax si se impune eroarea maxima de neliniaritate
Definind sensibilitatea puntii Sp in unitati relative:
(10.xxx)
si tinand seama de relatia de proportionalitate:
(10.xx)
si luand in considerare numai partea liniara (utila) a tensiunii de dezechilibru rezulta sensibilitatea puntii, de forma:
(10.xx)
care este maxima - din conditia dSp /dK=0, daca k=l. Asadar valoarea maxima a sensibilitatii puntii Sp=l/4 se obtine cand R0 = R2= R.
Daca bratele puntii sunt inegale - si anume R2 = R0 = kR - tensiunea de dezechilibru din relatia (10.51) devine:
(10.xx)
arata ca scaderea in sensibilitate conduce la cresterea in liniaritate.
In structura puntilor de masurare - la intrarea adaptoarelor - sunt prevazute, in majoritatea cazurilor, elemente suplimentare de reglaj; exemple privind realizarea echilibrarii initiale sunt prezentate in figura . La dimensionarea elememlor auxiliare se au in vedere efectele acestora asupra tensiunii de dezechilibru Ud diferentele existente intre coeficientii de variatie cu temperatura ai senzorilor si ai elementelor de echilibrare, modificarile produse de aceste elemente asupra tensiunii de mod comun din iesirea puntii, ca si influenta temperaturii - in noua structura de punte asupra tensiunii de mod comun.
Fig .Modalitati tipice de realizare a echilibrarii initiale la nivelul puntii de masurare neechilibrate:
a- prin modificarea potentialului punctului C; b- prin modificarea simultana a potentialelor punctelor C si D; c- prin modificarea simultana a rezistentelor din doua brate alaturate
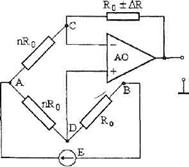
Atunci cand variatia rezistentei senzorului pe domeniul de masurare este importanta - de exemplu in cazul termistoarelor - se poate adopta o structura de punte care asigura o variatie liniara a iesirii cu variatia rezistentei senzorului (figura ).
In aceasta schema, senzorul este plasat pe reactia amplificatorului operational (AO), iar potentialele punctelor C si D sunt:
;
(10.xxx)
iar, din conditia Uc=UD,
impusa de amplificatorul operational, rezulta:
![]()
(10.xx)
Fig. . Structura puntii dezechilibrate cu o latura activa avand tensiunea de iesire liniara cu variatia rezistentei senzorului
Principial, adaptorul de semnal unificat pentru termorezistenta (termistor) se deosebeste fata de adaptorul destinat sa lucreze impreuna cu un termocuplu, prin structura diferita pe care o are blocul de gama (circuitul de intrare CI + blocul de reactie si liniarizare BRL din figura sau figura ), dimensionarea componentelor fiind facuta in functie de caracteristicile senzorului rezistiv utilizat